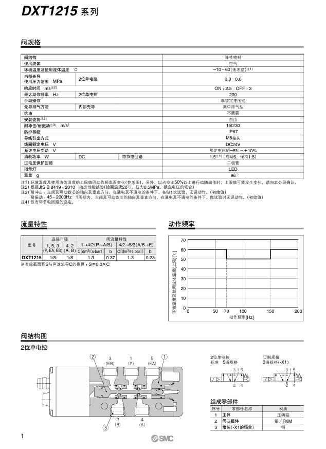
・高速响应:ON 2.5ms OFF 3ms
・大流量:330※L/min(ANR) ※一次侧(进口侧)0.6MPa、压差0.1MPa时
・防护等级:IP67
・省电:1.5W(带节电回路)
・可选择3通或5通 ※3通为订制规格(-X1)
・紧凑 全长:91.5mm、宽:16mm、高:34mm

・高速响应:ON 2.5ms OFF 3ms
・大流量:330※L/min(ANR) ※一次侧(进口侧)0.6MPa、压差0.1MPa时
・防护等级:IP67
・省电:1.5W(带节电回路)
・可选择3通或5通 ※3通为订制规格(-X1)
・紧凑 全长:91.5mm、宽:16mm、高:34mm
| 系列 | 流量特性 /4/2→5/3(A/B→E)/C[dm3/(s・bar)] | 流量特性 4/2→5/3(A/B→E) b | 消耗功率(W) |
|---|---|---|---|
| DXT1215 | 1.3 | 0.23 | 1.5(带节电回路) |



Online Leave a Message